Analogue Audio Design


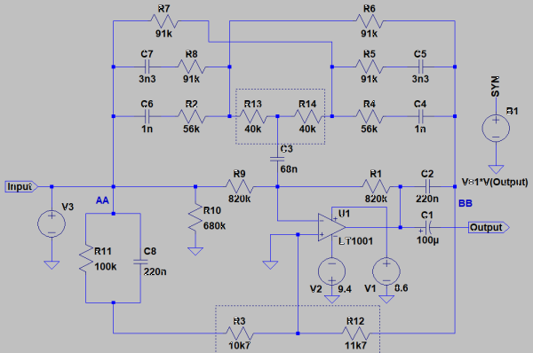
Circuit Design and Modelling with SPICE (Simulation Program with Integrated Circuit Emphasis)




Signal Analysis




Prototype Testing




PCB Design




Back From The Printer